Dacă ai întrebări nu ezita să ne contactezi.
Cazan din otel pe peleti Ferroli BioPellet Pro 30 - 30 kW
Cazan din otel pe peleti Ferroli BioPellet Pro 30 - 30 kW
Putere maxima/minima : 30 / 9.3 kW
Consum mediu de peleti: 3.9 kg/h
Randament (nominal/redus) : 93 / 96 %
Temperatura medie a gazelor de ardere : 147 / 71 ºC
Tiraj minim necesar : 12 Pa.
Conducta gaze arse: Φ80 mm
Conducta aer proaspat: Φ60 mm
Consum electric min/max : 60/310 W
Alimentare curent electric : 230 V, 50 Hz.
Distante minime siguranta: Spate 500 mm; Lateral 600 mm; Fata 1000 mm
Tip combustibil Peleti: Φ6-Φ8 mm.
Capacitate vas expansiune: 8 litri
Racord tur (filet exterior): 1“.
Racord retur (filet interior): 1“
Functionare la temperaturi mediu inconjurator: 5-40ºC.
Temperatura maxima a apei 90ºC.
Umiditate la 30º С a mediului inconjurator: 85%.
Volum apa cazan: 65 litri.
Presiune recomandata de lucru: 2 Bar.
Dimensiuni H(max) x L(max) x A(max): 1650 x 700 x 790 mm.
Volum buncar : 105 kg
Greutate : 310 kg
BioPellet PRO este unul dintre cele mai eficiente cazane pentru incalzire centrala care foloseste arderea automatizata a peletilor.
Principiul de functionare al acestui cazan se bazeaza pe utilizarea camerei de ardere in depresiune, aceasta fiind complet etansa astfel incat fluxul de aer este controlat de ventilatorul de evacuare, montat pe partea din spate a cazanului.
Controlul arderii este optimizat folosind un algoritm de modulare, care scade automat dozarea peletilor si a aerului pe masura ce cazanul se apropie de temperatura dorita.

Ferroli BioPellet Pro 30 este un cazan din otel pentru incalzire centrala care foloseste arderea automatizata a peletilor.
Cazanul este destinat pentru incalzirea de spatii de locuit sau publice, folosind peleti.
Ferroli Biopellet Pro este dotat cu schimbator de caldura din otel destinat pentru sisteme de incalzire cu temperatura agentului pana la 90ºC si presiune maxima de 2,5 bar si are automatizare Tiemme cu ecran tactil (touchscreen).
Avantaje:
- Randament ridicat de pana la 94% - temperatura gazelor de ardere sub 160°C
- Ventilator evacuare – asigura debitul de aer necesar arderii si evacuarea gazelor de ardere
- Nivel scazut de NOx conform Normelor Europene EN 303-5 (teste efectuate la Institutul Kiwa din Treviso - Italia)
- Aprindere/ Pornire/ Oprire cazan complet automatizate
- Functionare eficienta – arzator modulant si camera de ardere etansa cu debitul aerului de ardere controlat de un ventilator
- Dimensiuni compacte – cazanul se poate transporta si monta usor datorita dimensiunilor reduse (rezervor de peleti montat deasupra)
- Ardere eficienta - curatare si intretinere simplificate fata de cazanele clasice pe combustibil solid
- Pompa de circulatie incalzire - incorporata in cazan.
Cazanul este proiectat si fabricat pentru a functiona numai cu peleti clasa A (DIN plus 51731) cu urmatoarele caracteristici:
Material 100% lemn rasinos sau foios;
Diametru Ф 6/8 mm; Lungime 20-30 mm;
Valoare calorific >4.8 kW/kg;
Continut de cenusa < 8%;
Folosirea de peleti cu alte caracteristici decat cele recomandate poate duce la reducerea puterii, functionare instabila si neregulata.
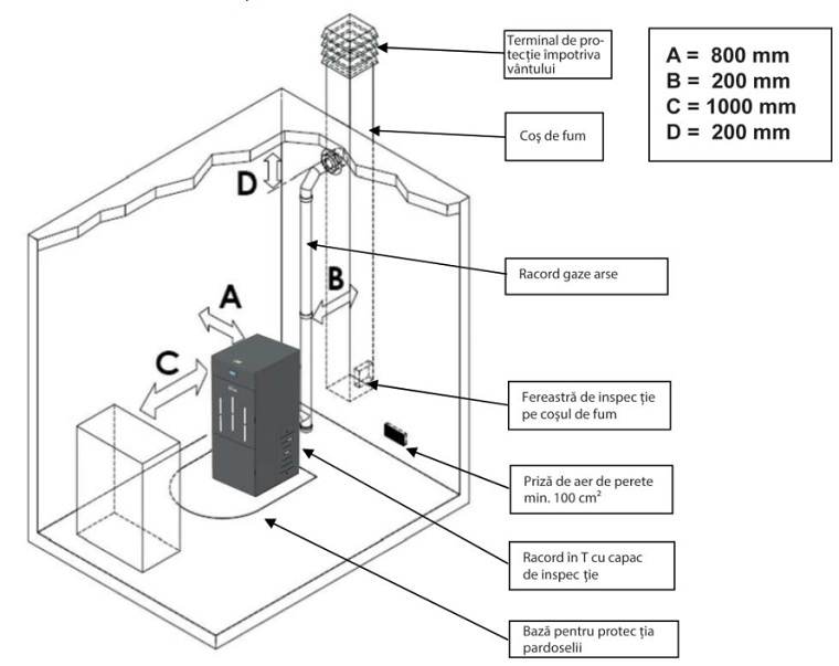
Cazanul trebuie racordat la un cos de fum cu un tiraj corespunzator.
Cazan din otel pe peleti Ferroli BioPellet Pro - componente

Cazan din otel pe peleti Ferroli BioPellet Pro - schema hidraulica

* Vasul de expansiune suplimentar este necesar in cazul in care volumul de apa din instalatie depaseste capacitatea de preluare a vasului inclus in cazan (10 litri).
Cazan din otel pe peleti Ferroli BioPellet Pro - schema hidraulica 2

Cazan din otel pe peleti Ferroli BioPellet Pro - instalare cos de fum

